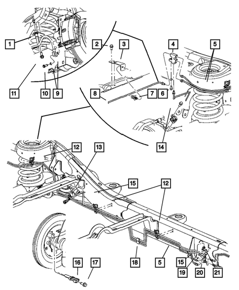
Hydraulic Control Unit, Brake Tubes and Hoses for 2008 Chrysler Aspen
No.
Part # / Description / Price
Price
3
Bracket, Mounting
Mopar
Mopar Description: Brake Line Crossover. Right Rear Brake Tube to Frame. Rear Crossover.
5
Brake Tube, Right
Mopar
Mopar Description: Frame Junction Block to Rear Frame Junction Block. Right Rear. Frame Rail Junction Block to Rear Junction Block.
5
Brake Tube, Left
Mopar
Mopar Description: Frame Junction Block to Rear Frame Junction Block. Left Rear. Frame Rail Junction Block to Rear Junction Block.
7
Brake Line Clip, Mounting
Mopar
Mopar Description: As Required. Brake Hose. Right Brake Tube to Frame. Chassis Tube.
8
9
Brake Hose To Caliper Gasket
Mopar
Mopar Description: As Required. Disc Brake Line/Hose. To Caliper-For Item 2,9. Hose and Tube Assembly to Caliper. Brake hose to caliper. 4-Front, 4-Rear.
MSRP $73.60
$55.36
MSRP $73.60
$55.36
10
Banjo Bolt, Mounting
Mopar
Mopar Description: Disc Brake Line/Hose. Brake Hose-As Required. To Caliper-For Item 2,9. Hose and Tube Assembly to Caliper. Brake Hose toCaliper.
MSRP $31.80
$24.72
MSRP $31.80
$24.72
10
Banjo Bolt, Mounting
Mopar
Mopar Description: Disc Brake Line/Hose. Brake Hose-As Required. To Caliper-For Item 2,9. Hose and Tube Assembly to Caliper.
14
17
Hex Head Bolt And Washer
Mopar
Mopar Description: M6x1.00x26.50. Bracket To Load Beam. Grille Shutter Attaching. Wheel Speed Sensor. M6 x 1.00 x 26.5. [M6x1.00x25.00]. Sensor to Brake Assembly. Bracket To Loadbeam.
21
Brake Line Clip, Mounting
Mopar
Mopar Description: Junction Block to Frame Rail. Repair -Trans Oil Filler. Vacuum reservoir line to body. Hold Item 2 to Frame. To Sill.
MSRP $7.55
$5.72
MSRP $7.55
$5.72
No.
Part # / Description / Price
Price
1
6
ABS Control Mounting Kit
Mopar
Mopar Description: Consits of 3 Isolators,2 Lock Nuts,2 Bushings. Consists of 3 Isolators,2 Lock Nuts,2 Bushings. For Mounting ABS to Bracket.
MSRP $17.60
$13.19
MSRP $17.60
$13.19
7
Brake Hose Lock
Mopar
Mopar Description: Brake Hose to UCA Bracket. Rear Hose to Crossmember. Front hose to bracket.
MSRP $9.45
$7.11
MSRP $9.45
$7.11
9
Nut
Mopar
Mopar Description: M12 x 1.75. Rear Seat To Floor Pan. HCU to Frame. Engine Mounting Bracket to Insulator Assembly. Left Engine Mounting Bracket to Rail.
MSRP $10.05
$7.62
MSRP $10.05
$7.62
10
Brake Line Clip, Mounting
Mopar
Mopar Description: Junction Block to Frame Rail. Repair -Trans Oil Filler. Vacuum reservoir line to body. Hold Item 2 to Frame. To Sill.
MSRP $7.55
$5.72
MSRP $7.55
$5.72
12
Hex Flange Head Tapping Screw
Mopar
Mopar Description: M8x1.25x25.00. HCU Bracket to Frame.
MSRP $4.40
$3.38
MSRP $4.40
$3.38
17
Banjo Bolt, Mounting
Mopar
Mopar Description: Disc Brake Line/Hose. Brake Hose-As Required. To Caliper-For Item 2,9. Hose and Tube Assembly to Caliper. Brake Hose toCaliper.
MSRP $31.80
$24.72
MSRP $31.80
$24.72
17
Banjo Bolt, Mounting
Mopar
Mopar Description: Disc Brake Line/Hose. Brake Hose-As Required. To Caliper-For Item 2,9. Hose and Tube Assembly to Caliper.
18
Brake Hose To Caliper Gasket
Mopar
Mopar Description: As Required. Disc Brake Line/Hose. To Caliper-For Item 2,9. Hose and Tube Assembly to Caliper. Brake hose to caliper. 4-Front, 4-Rear.
MSRP $73.60
$55.36
MSRP $73.60
$55.36


